Login
Email
Password
Forgot your password?
Login
You have
items in your cart
Product
Qty
Total
Total
VAT
Incl. VAT
Empty cart
Proceed to checkout
Your shopping cart is empty
Products
Mould Cooling
Couplers
Hoses
Hose Protection
Hose Clips
Fittings
Valves
Push In Fittings
Manifolds
Sealant & Tape
TESTGROUP
Flow Measurement & Control
Flosense 1.0
Flow Measurement
De-Scaling
Pressure Testing
Mouldheaters
Filters
Consumables
Mould Cleaner
Mould Release
Mould Protect
Mould Lubricants
Nano Mould Coating
Purging Compound
Absorbents
Multi Wipes
Accessories
Temperature Control
Hot Runner Controllers
Heater Bands
Thermocouples
Connectors
Cables
Thermometers
Material Handling
Loader Hose
Hot Air Hose
Hose Clamps
Camlock Couplings Aluminium
Camlock Couplings Aluminium
Vacuum Couplers
Metal Detection
Material Storage
Balances & Moisture Analyser
End of Arm Tooling
Quick Change
Frames
Frames and Frame Connectors
Mounting Clamps
Vacuum Cup Adaptors
Vacuum Cups
Pneumatic Grippers
Pneumatic Gate Cutters
Pneumatic Push-in Fittings
End of Barrel
Tools & Accessories
Gate Cutters
Deburring Tools
Soft Tools
Accessories
Polishing & Abrasives
Brushes
Compressed Air Blow Guns
Borescope
Measuring Tools
Magnifying Glasses
Machine Accessories
Mould Screens
Mold Align
Ejector Couplings
Machine Mounts
Linear Transducer
Hydraulic Couplings
Mould Clamping
Power Clamps
Standard Clamps
Lifting
Eyebolts
Swivel Lifting Rings
Double Swivel Ring & Shackles
Mould Components
Ejector Pins
Dowel Pins
Slide Holding Devices
Screws
Spring Plungers
ISO Springs
Mould Monitoring
Centering Elements
Product Info
FAQ
GDPR
test
Products
Products
Mould Components
Ejector Pins
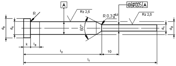
Ejector Pins, DIN 1530, Type CH - Hardened
5258
Description
Surface: Hardened and Polished
Material: 1.2516
Hardness: 60 ± 2 HRC. Head 45 ± 5 HRC.