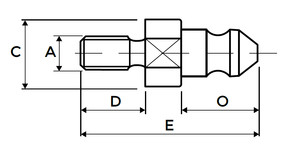
Ejector Nipple

5258

5258

Automatic Ejector Return Couplings

Ideal for use with: Quick Mold Change systems and Two-stage Ejection. Designed to provide a quick method of attaching the ejector plate in your mold to the ejection system in your molding machine. Provides positive ejector plate return while greatly reducing set-up time. Perfectly suited for those molding machines where the ejector plate on the machine is difficult to reach. Ideal when center ejection is desired, but impossible to “tie-in”. Work with either hydraulic or mechanical ejection.

- Uses and Advantages

- Quick and easy installation (even on existing molds). Return of the ejector plate is assured.

- Part ejector plate is assured.

- Coupling is obtained in any position, disconnecting is after the ejector plate is fully returned.

- Fast acting up to 30 strokes/minute. No wearing parts.

- Can be used on all injection machines equipped with hydraulic or mechanical ejection.

- Set-up time can be greatly reduced.

- Reduce noise on machines with mechanical knockouts. Especially suited for injection machines that do not have easy access to the ejector plate.

- Allows for center ejection to be tied in.