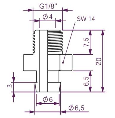
Fittings for Vacuum Cup 1,5 Bellow Ø11, Ø16

5258

5258

The flat suction cups provide accuracy in load gripping and speeds up the cyce process. 

Flat cups are used only on flat surfaces